
??? 鷹牌EAGLE ED-25液壓千斤頂為日本今野制作所生產,標準型液壓千斤頂,載荷2.5噸,重工業級別產品,現由煙臺開發區龍海起重工具有限公司授權代理(鷹牌EAGLE千斤頂中國區域授權代理)。

鷹牌EAGLE ED-25液壓千斤頂介紹:
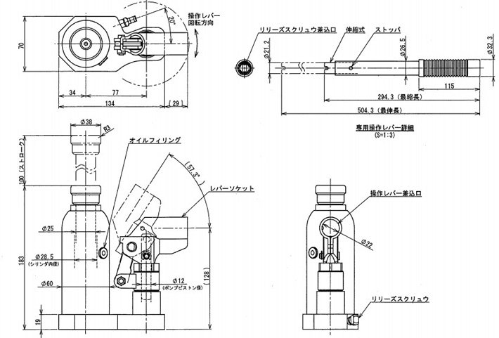
* 鷹牌EAGLE ED-25液壓千斤頂本體高度183mm,行程100mm,頂升更加方便快捷。
* 鷹牌EAGLE ED-25液壓千斤頂附帶有可伸縮功能手動壓桿,通過壓動壓桿,進行頂升。
* 鷹牌EAGLE ED-25液壓千斤頂主軸光滑,油缸活塞部分采用耐磨損防銹的高強度鉻,電鍍加工工藝,防止生銹和變形
* 鷹牌EAGLE ED-25液壓千斤頂可定制無塵室環境使用型號ED-25C,鍍鋅處理,防靜電類型
* 鷹牌EAGLE ED-25液壓千斤頂有防超載安全閥(防止超載,安全性高)、高度限位控制(行程限制,確保超載后不會起升,安全性高)

鷹牌EAGLE ED-25液壓千斤頂實物:
我公司作為授權商承諾凡在我公司購買該品牌產品,若有假貨、仿貨將以產品貨值的百倍賠償!
![]() |
![]() |
| 鷹牌EAGLE ED-25液壓千斤頂實拍(一) | 鷹牌EAGLE ED-25液壓千斤頂實拍(二) |
![]()
D-25液壓千斤頂為日本鷹牌EAGLE JACK原裝進口產品,保質1年,我公司承諾凡是客戶在我公司訂購的進口類產品均為原裝正品,絕不存在拆件貨,換件貨,假冒品牌產品,凡客戶從我公司訂購日本鷹牌EAGLE JACK產品如收到貨物時發現有拆件貨,換件貨,假冒、假貨仿貨均以100倍金額賠償。
產品選型:液壓千斤頂?
相關產品:ED-25C無塵室用液壓千斤頂(防靜電類型)
產品資料:液壓千斤頂的工作原理、液壓千斤頂基本操作、液壓千斤頂什么牌子好?、工廠機械設備提升定位液壓千斤頂、橫向使用EAGLE液壓千斤頂