

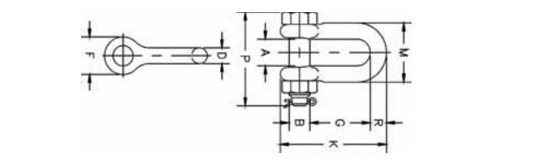
*G-2150D型卸扣,屬于高強度卸扣,是美國Crosby科索比吊索具品牌產品。
*Crosby卸扣G-2150的鍛件 – 經過調質處理,配有紅色合金栓,紅栓® 是 Crosby 原廠產品的質量標志。
*G-2150高強度D型卸扣承重能力為 0.5 至 85 公噸,1/2t – 25t 尺寸型號符合 EN13889:2003 性能要求
*G-2150D型卸扣對于載重量為 85 公噸以上的卸扣,還可進行以下試驗或提供以下材料/配件。。
* 美國Crosby(科索比)D型卸扣主要應用于電力、冶金、石油、機械、鐵路、化工、港口、礦山、建筑等各行各業。