
? VA型鷹牌 EAGLE CLAMP水平鋼板吊鉗(也稱水平鋼板夾鉗)為日本進口產品,擁有5倍以上安全系數,使用壽命可長達7、8年,現由煙臺開發區龍海起重工具有限公司銷售。

VA型鷹牌 EAGLE CLAMP水平鋼板吊鉗介紹:
* VA型水平鋼板吊鉗強大的懸吊自動收緊機構,用超過懸掛載荷兩倍的力擰緊/握力與懸掛載荷成正比
* VA型水平鋼板吊鉗高頻淬火特種合金鋼凸輪
* VA型水平鋼板吊鉗高抗拉強度鋼制機身,精密鍛造結構,抗裂
* VA型水平鋼板吊鉗烤漆(環氧漆)面漆

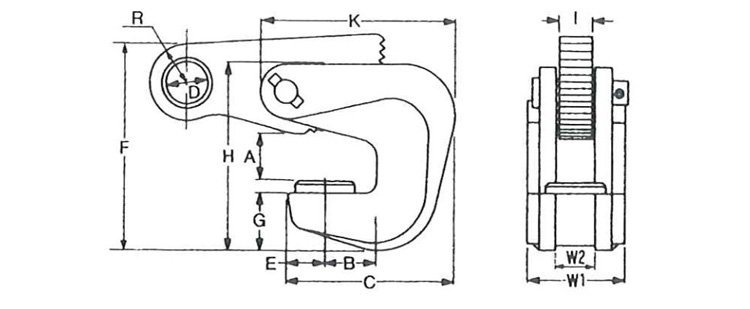
VA型鷹牌 EAGLE CLAMP水平鋼板夾鉗實物圖:下圖為鷹牌VA型水平夾鉗型號為VA-1,載荷1噸,有效板厚4~30mm
![]() |
![]() |
| VA型水平鋼板吊鉗實拍(一) | VA型水平鋼板吊鉗實拍(二) |
![]() |
![]() |
| VA型水平鋼板吊鉗實拍(三) | VA型水平鋼板吊鉗實拍(四) |

VA型鷹牌 EAGLE CLAMP水平鋼板夾鉗應用案例:
適用鋼材:型鋼(角鋼·槽鋼?I型鋼?H型鋼)?鋼骨·橋梁、鐵鋼構物·鋼板、鋼制梁、鋼制框架?造船用材料、吊車梁等,適用于封頭的吊裝工作。

![]()
VA型水平鋼板吊鉗為日本鷹牌eagle clamp原裝進口產品,保質1年,我公司承諾凡是客戶在我公司定購的進口類產品均為原裝正品,絕不存在拆件貨,換件貨,假冒品牌產品,凡客戶從我公司訂購日本鷹牌eagle clamp產品如收到貨物時發現有拆件貨,換件貨,假冒、假貨仿貨均以100倍金額賠償。
產品選型:水平吊鉗?