
? 鷹牌 EAGLE CLAMP VAS型橫吊鋼板起重鉗為日本進口產品,簡易型內部裝有彈簧鎖,用于形鋼橫向起吊用夾鉗,擁有5倍以上安全系數,使用壽命可長達7、8年,現由煙臺開發區龍海起重工具有限公司銷售。

鷹牌 EAGLE CLAMP VAS型橫吊鋼板起重鉗特點:
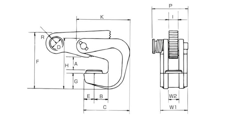
* VAS型橫吊鋼板起重鉗高抗拉強度鋼制主體,精密鍛造結構,抗裂
* VAS型橫吊鋼板起重鉗齒板經感應淬火處理的特殊合金鋼制成,耐磨,齒板單獨銷售,日本進口原廠配件
* VAS型橫吊鋼板起重鉗帶緊固用彈簧,引起或拉倒(使用反轉裝置等)時夾緊也很穩定
* VAS型橫吊鋼板起重鉗通過懸掛物實現強大的自動擰緊機構,夾緊力與載荷成比例增加;
* VAS型橫吊鋼板起重鉗采用烤漆表面,環氧涂料,不掉漆。

EAGLE CLAMP VAS型橫吊鋼板起重鉗應用:
VAS型橫吊鋼板起重鉗用途:水平懸掛,水平懸掛,運輸,起重,組裝,安裝,架設工作,壓制,彎曲,焊接;
VAS型橫吊鋼板起重鉗適用鋼材:型鋼(H形鋼,I形鋼,槽型鋼),鋼骨,橋梁,鐵鋼構物,鋼板,鋼制梁,鋼制框架等。

若遇到產品選型問題,可咨詢我公司人員,也可點擊鷹牌EAGLE CLAMP鋼板起重鉗更多產品可供選擇。
![]()
VAS型橫吊鋼板起重鉗為日本鷹牌EAGLE CLAMP原裝進口產品,保質1年,我公司承諾凡是客戶在我公司訂購的進口類產品均為原裝正品,絕不存在拆件貨,換件貨,假冒品牌產品,凡客戶從我公司訂購日本鷹牌EAGLE CLAMP產品如收到貨物時發現有拆件貨,換件貨,假冒、假貨仿貨均以100倍金額賠償。
產品選型:橫吊鋼板起重鉗?